| 一、使用条件 |
| 本产品适用于公称压力为0.6MPa的稀油润滑系统中,具有清除润滑油中杂质使供给润滑点的油达到洁净的功能,小型的为整体式,较大的为组合式,分别由二组过滤筒和一个三位六通换向阀组成,工作时一筒工作,一筒备用,可实现不停车切换过滤筒,达到循环润滑系统不间断工作的目的。 |
 |
|
| 二、技术参数 |
型
号 |
公称
通径
DN
mm |
公称
压力
MPa |
过滤
面积
m2 |
运 动 粘 度 cSt |
重量
kg |
28
|
46
|
67
|
89
|
326
|
过 滤 精 度 mm |
0.08 |
0.12 |
0.08 |
0.12 |
0.08 |
0.12 |
0.08 |
0.12 |
0.08 |
0.12 |
过 滤 精 度 mm |
SLQ-32 |
32 |
0.6 |
0.082 |
130 |
310 |
120 |
212 |
63 |
161 |
28.5 |
68.7 |
18.7 |
48.8 |
81.7 |
SLQ-40 |
40 |
0.21 |
330 |
790 |
305 |
540 |
160 |
384 |
72.3 |
175 |
48 |
125 |
115 |
SLQ-50 |
50 |
0.31 |
485 |
1160 |
447 |
793 |
250 |
565 |
106.5 |
256 |
69 |
160 |
203.8 |
SLQ-65 |
65 |
0.52 |
820 |
1960 |
760 |
1340 |
400 |
955 |
180 |
434 |
106 |
250 |
288 |
SLQ-80 |
80 |
0.833 |
1320 |
3100 |
1200 |
2150 |
630 |
1533 |
288 |
695 |
170 |
400 |
346 |
SLQ-100 |
100 |
1.31 |
1990 |
4750 |
1840 |
3230 |
1000 |
2310 |
436 |
1050 |
267 |
630 |
468 |
SLQ-125 |
125 |
2.20 |
3340 |
8000 |
3100 |
5420 |
1680 |
3890 |
730 |
1770 |
450 |
1000 |
1038.5 |
SLQ-150 |
150 |
3.30 |
5000 |
12000 |
4650 |
8130 |
2520 |
5840 |
1094 |
2660 |
679 |
1600 |
1185 |
条 件 粘 度 OE |
4 |
6.3 |
9 |
12 |
44 |
|
|
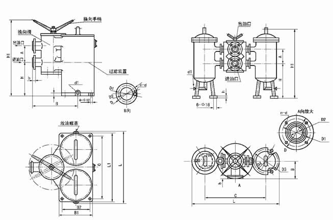
| 三、外形结构 |
|
SLQ-32,SLQ-40双筒网式过滤器(整体式) DN≥50的SLQ型双筒网式过滤器(组合式) |
| 四、外形尺寸 |
型号 |
公称通径DN |
A |
B |
B1 |
B2 |
C |
d1 |
D3 |
D4 |
H |
SLQ-32 |
32 |
140 |
250 |
186 |
154 |
344 |
G3/8" |
- |
- |
145 |
SLQ-40 |
40 |
165 |
265 |
222 |
184 |
410 |
- |
- |
180 |
SLQ-50 |
50 |
190 |
165 |
- |
- |
693 |
G1/2" |
330 |
280 |
355 |
SLQ-65 |
65 |
200 |
170 |
- |
- |
713 |
374 |
300 |
395 |
SLQ-80 |
80 |
220 |
202 |
- |
- |
830 |
G3/4" |
374 |
320 |
500 |
SLQ-100 |
100 |
250 |
202 |
- |
- |
895 |
442 |
400 |
610 |
SLQ-125 |
125 |
260 |
240 |
- |
- |
1200 |
G1" |
755 |
600 |
640 |
SLQ-150 |
150 |
300 |
240 |
- |
- |
1200 |
755 |
600 |
860 |
|
续上表 |
型号 |
H1 |
L |
L1 |
h |
时出油口连接法兰尺寸 |
|
D1 |
D2 |
b |
d |
n |
SLQ-32 |
440 |
397 |
386 |
20 |
135 |
100 |
78 |
18 |
18 |
4 |
SLQ-40 |
515 |
480 |
447 |
145 |
110 |
85 |
SLQ-50 |
800 |
1023 |
- |
160 |
125 |
100 |
20 |
SLQ-65 |
860 |
1097 |
- |
180 |
145 |
120 |
SLQ-80 |
990 |
1202 |
- |
195 |
160 |
135 |
22 |
8 |
SLQ-100 |
1190 |
1337 |
- |
215 |
180 |
155 |
SLQ-125 |
1270 |
1955 |
- |
30 |
245 |
210 |
185 |
24 |
SLQ-150 |
1530 |
1955 |
- |
280 |
240 |
210 |
23 |
|
| 五、型号标注说明 |
 |
| 六、工作原理 |
1、本型式过滤器由一六通换向阀及二组过滤装置组成,置于油泵出口及冷却器前端,正常工作时,一组过滤装置启用,另一组被换向阀封闭备用。
2、阀片式六通换向阀为手动,工作过程中,截止备用过滤装置连通工作中的过滤装置,阀上部有通、止标记,在工作压力≤6kgf/cm2可不停机换向。
3、过滤装置为二组,一组工作,一组备用。在工作中过滤装置需要维修清洗时,可启动另一组备用过滤装置投入工作,而不影响主机正常工作。
4、系统图 |
|
| 七、使用说明 |
1、当过滤器的进出口压力差≥0.5kgf/cm2时,说明过滤装置中的滤芯已被机械杂质阻塞,应及时清洗或更换滤芯,同时也应清洗筒体。
2、在正常工作时过滤器的进出口压差应≤0.035MPa。
八、订货须知
订货时必须注明所需的过滤精度值,不注明的均按0.12mm供货。 |