管路安装附件

油气润滑元件

联系我们

企业名称:南通创凡机械制造有限公司

手机:15358766637

电话:0513-83117786

传真:0513-83117786

地址:启东市台角工业园区7号

网址 :cf@ntchuangfan.com  

产品介绍

您的当前位置: 首 页 >> 产品介绍
 
GDR型双高压系列高(低)压稀油站
一、使用条件
本产品适用于装有双滑履动静压轴承的磨机、回转窑等大型设备的稀油循环润滑系统中,其工作介质粘度等级为N22~N460(相当于ISO VG22~460)的各种工业润滑油;若将低压泵油量分成二个供油管道时,可以用一套双高压高(低)压稀油站代替二台普通高(低)压稀油站[如GXYZ型A系列高(低)压稀油站中较小者]。
根据动静压润滑工作原理,在启动、低速和停车时用高压系统,正常运行时用低压系统,以保证大型机械在各种不同转速下均能获得可靠的润滑以延长主机寿命。
稀油站二根高压输出管道的压力均为31.5MPa,流量各为2.5L/min,低压部分的压力为0.4MPa,低压流量为16~100L/min;稀油站具有过滤、冷却、加热等装置和联锁、报警、自控等功能。
该产品的性能参数及尺寸应符合表和图中的规定;本装置由油站、仪表盘和电控柜(可用PLC控制)成套组成。
 
二、型号标注方法
 
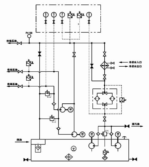
三、工作原理与结构特点
  双高压高(低)压稀油站的主要特点为一套稀油站有二根高压输出管道,可满足二个高压润滑点的需要,其他和普通高(低)压稀油站相同。
每根高压输出管道均有压力表和压力控制器,以便控制每根高压管道的压力及观察工况。
本产品组成部分也和普通高(低)压稀油站相同;仅比它多一台高压油泵,二台高压油泵的吸口均联于低压泵的供油口;二台高压泵均启动时,要从低压供油口吸走5L/min的润滑油,对低压泵流量较小者,启动高压泵时低压供油压力可能会有所降低,对润滑油均供向同一轴承的系统来说,轴承的润滑油总量并未减少,不会影响对轴承的润滑;但启动高压泵时,低压压力的降低可能造成备用低压泵会临时启动,这种情况也不致影响润滑系统的正常工作;但采用二低压泵互相切换的备用工作方式时,可能工作泵停止后,备用泵流量仍不满足要求时就不能使润滑系统正常工作了;故选用较小流量低压泵时应注意这一情况。
 
GDR型双高压系列高(低)压稀油站技术性能
参数
型号

GDK-B2.5/16

GDK-B2.5/25
GDK-B2.5/140
GDK-B2.5/63
GDK-B2.5/80
GDK-B2.5/100



泵装置型号
LBZ-16
LBZ-25
LBZ-40
LBZ-63
LBZ-100
LBZ-125
流量L/min

16

25
40
63
80
100
供油压力MPa
≤0.4
供油温度℃
40±3
电动机
型号
Y90S-4,V1
Y100L1-4,V1
Y112M-4,V1
功率KW
1.1
2.2
4
转速r/min
1450
1440
1440
油箱容积m3
1.1
1.5
2.2
高压系统
泵装置型号
2.5MCY14-1B(二台)
流量L/min
2.5X2
供油压力MPa
31.5
电动机
型号
Y112M-6 B35 (二台)
功率Kw
2.2
转速r/min
940
过滤精度m2
0.08~0.12
过滤面积m2
0.13
0.19
0.4
冷却面积m2
3 5 7
冷却水耗量
1
1.5
3.6
5.7
9
11.25
电加热功率Kw
3 x 4
3 x 4
6 x 4
外形尺寸mm
2000x1240x1360
2100x1280x1385
2150x1440x1750
备注
全部过滤切换压差为0.15MPa
 
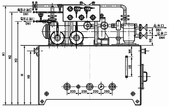
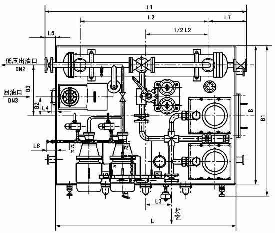
四、外形尺寸
 
型号
DN1
DN2
DN3
DN4
L
L1
L2
L3
L4
L5
L6
L7
GDR-B2.5/16
8
25
50
50
1600
2000
925
250
35
100
150
215
GDR-B2.5/25
8
25
50
50
1600
2000
825
250
35
100
150
215
GDR-B2.5/40
10
32
65
32
1600
2100
982
300
35
120
180
250
GDR-B2.5/63
10
32
65
32
1600
2100
982
300
35
120
180
250
GDR-B2.5/80
10
40
80
32
1700
2150
1282
305
40
150
200
405
GDR-B2.5/100
10
40
80
320
1700
2150
12820
305
40
150
200
405
型号
B
B1
B2
B3
H
H1
H2
H3
H4
H5
H6
H7
H8
GDR-B2.5/16
1100
1240
300
140
700
1360
1285
1200
120
350
115
80
590
GDR-B2.5/25
1100
1240
300
140
700
1360
1285
1200
120
350
115
80
590
GDR-B2.5/40
1200
1280
248
450
850
1385
1300
1225
180
360
150
110
710
GDR-B2.5/63
1400
1440
190
500
1050
1750
1640
1480
200
400
160
140
875
GDR-B2.5/80
1400
1440
190
500
1050
1750
1640
1480
200
400
160
140
875
GDR-B2.5/100
1400
1440
190
500
1050
1750
1640
1480
200
400
160
140
875
 
五、系统(原理)图
 
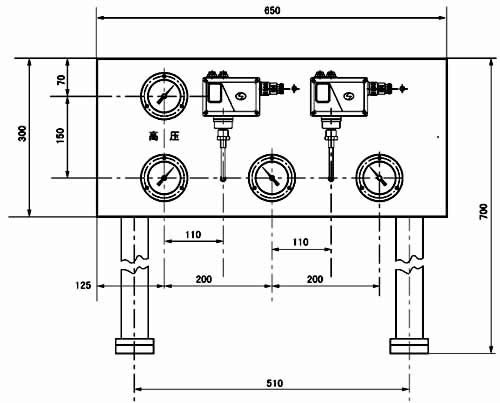
六、仪表盘
序号
标牌文字
序号
标牌文字
1
出口油温
13
压差过高
2
油箱油温
14
主机油温高
3
1#低压泵工作
15
低压泵起动
4
2#低压泵工作
16
低压泵停止
5
1#高压泵工作
17
高压泵起动
6
1#高压泵工作
18
高压泵停止
7
加热器工作
19
加热器启停
8
主机运行
20
消除报警
9
低压压力低
21
1#为主*单独*2#为主低压泵
10
高压压力低
22
1#为主*单独*2#为主高压泵
11
油位高
23
中控/机旁
12
油位低