管路安装附件

油气润滑元件

联系我们

企业名称:南通创凡机械制造有限公司

手机:15358766637

电话:0513-83117786

传真:0513-83117786

地址:启东市台角工业园区7号

网址 :cf@ntchuangfan.com  

产品介绍

您的当前位置: 首 页 >> 产品介绍
 
WBZ型卧式齿轮油泵装置(0.63MPa)
一、概 述
本产品适用于稀油润滑系统或液压传动系统中,作为输送润滑油或作为液压系统动力源的油泵装置,也可用于排送无腐蚀性的润滑液体介质。适用介质的粘度等级为N22~N460(相当于ISO VG22~VG460)的工业润滑油或液压油。
二、技术参数
型 号
公称压力MPa
重量kg
型 号
公称流量
吸入高度
型 号
功率
转速
WBZ2-16
0.63
CB3-B16
16
500
Y90S-4-B3
1.1
1400
55
WBZ2-25
CB3-B25
25
56
WBZ2-40
CB3-B40
40
Y100L1-4-B3
2.2
1420
80
WBZ2-63
CB3-B63
63
100
WBZ2-100
CB3-B100
100
Y112M-4-B3
4
1440
118
WBZ2-125
CB3-B125
125
146
 
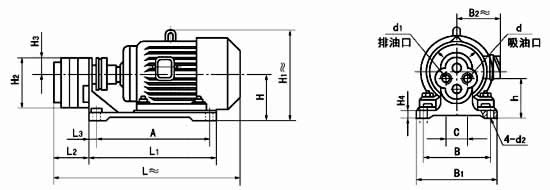
三、外形尺寸
型号
L≈
L1
L2
L3
A
B
B1
B2≈
C
H
H1≈
H2
H3
H4
h
d
d1
d2
WBZ2-16
448
360
76
27
310
160
220
155
50
130
230
128
43
30
109
G3/4"
G3/4"
15
WBZ2-25
456
48
WBZ2-40
514
406
92
25
360
215
250
180
55
142
287
152
50
116
G1"
G3/4"
15
WBZ2-63
546
433
104
387
244
290
190
162
315
136
WBZ2-100
660
485
119
27
433
250
300
210
65
172
345
185
60
40
140
G1 1/4 "
G1"
15
WBZ2-125
702
500
126
448
280
330
200
383
168
 
四、型号说明