| ● 等径直角螺纹接头 |
|
代号(订货号) |
公称通径(DN) |
d(Rc)(R) |
L |
H1 |
H2 |
H3 |
重量(kg) |
对应号 |
ZT6.5.34-1 |
6 |
1/8 |
16 |
30 |
14 |
22 |
0.03 |
H1.7-1 |
ZT6.5.34-2 |
8 |
1/4 |
22 |
41 |
19 |
30 |
0.07 |
H1.7-2 |
ZT6.5.34-3 |
10 |
3/8 |
24 |
46 |
22 |
34 |
0.11 |
H1.7-3 |
ZT6.5.34-4 |
15 |
1/2 |
30 |
55 |
25 |
40 |
0.17 |
H1.7-4 |
ZT6.5.34-5 |
20 |
3/4 |
32 |
60 |
32 |
44 |
0.23 |
H1.7-5 |
ZT6.5.34-6 |
25 |
1 |
40 |
72 |
40 |
52 |
0.32 |
H1.7-6 |
|
| 标记示例:直角接头6 ZT6.5.34-1 |
| ● 等径直角螺纹长接头 |
|
代号(订货号) |
公称通径(DN) |
d(Rc)(R) |
L |
H1 |
H2 |
H3 |
重量(kg) |
对应号 |
ZT6.5.35-1 |
6 |
1/8 |
16 |
73 |
57 |
65 |
0.28 |
H1.8-1 |
ZT6.5.35-2 |
8 |
1/4 |
22 |
83 |
61 |
72 |
0.30 |
H1.8-2 |
ZT6.5.35-3 |
10 |
3/8 |
24 |
91 |
67 |
79 |
0.33 |
H1.8-3 |
ZT6.5.35-4 |
15 |
1/2 |
30 |
98 |
68 |
83 |
0.38 |
H1.8-4 |
ZT6.5.35-5 |
20 |
3/4 |
32 |
103 |
71 |
87 |
0.44 |
H1.8-5 |
|
| 标记示例:直角长接头6 ZT6.5.35-1 |
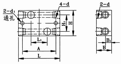
| ● 双通衬板 |
|
代号(订货号) |
公称通径
(DN) |
d(Rc) |
L |
B |
H |
A |
L1 |
B1 |
H1 |
D1 |
重量
(kg) |
安全螺栓
(推荐) |
对应号 |
ZT6.5.42-1 |
8 |
1/4 |
102
|
38
|
68 |
84
|
40
|
16
|
42
|
8.5
|
1.92 |
M8×60
|
H1.9-1 |
ZT6.5.42-2 |
10 |
3/8 |
70 |
1.93 |
H1.9-2 |
ZT6.5.42-3 |
15 |
1/2 |
150 |
50 |
98 |
110 |
50
|
20 |
60 |
12.5
|
5.84 |
M12×80 |
H1.9-3 |
ZT6.5.42-4 |
20 |
3/4 |
160 |
54 |
114 |
130 |
26 |
70 |
6.21 |
M12×90 |
H1.9-4 |
|
| 标记示例:双通衬板 8 ZT6.5.42-1 |
| ● 直角法兰 |
|
代号(订货号) |
公称通径
(DN) |
d(Rc) |
L1 |
L2 |
B1 |
B2 |
H1 |
H2 |
H3 |
D |
重量(kg) |
对应号 |
ZT6.5.43-1 |
6 |
1/8 |
40 |
10 |
24 |
9 |
40 |
20 |
10 |
9
|
0.18 |
H1.11-1 |
ZT6.5.43-2 |
8 |
1/4 |
44 |
11 |
28 |
11 |
44 |
24 |
13 |
0.30 |
H1.11-2 |
ZT6.5.43-3 |
10 |
3/8 |
60 |
14 |
36 |
16 |
60 |
35 |
20
|
0.81 |
H1.11-3 |
ZT6.5.43-4 |
15 |
1/2 |
65 |
15 |
40 |
20 |
65 |
40 |
1.73 |
H1.11-4 |
ZT6.5.43-5 |
20 |
3/4 |
66 |
21 |
53 |
21 |
90 |
48 |
27 |
2.14 |
H1.11-5 |
|
| 标记示例:直角法兰6 ZT6.5.43-1 |